○西多摩衛生組合防火管理規程
平成13年4月1日
規程第10号
西多摩衛生組合防火管理規程(平成10年規程第7号)の全部を改正する。
目次
第1章 総則(第1条―第9条)
第2章 予防管理対策(第10条―第28条)
第3章 自衛消防活動対策(第29条―第42条)
第4章 震災対策(第43条―第49条)
第5章 警戒宣言が発せられた場合の対策(第50条―第57条)
第6章 防災教育及び訓練(第58条―第60条)
第7章 移動式蓄電池活用(第61条―第63条)
付則
第1章 総則
第1節 目的及びその適用範囲
(目的)
第1条 この規程は、消防法(昭和23年法律第186号)第8条第1項の規定に基づき、西多摩衛生組合(以下「組合」という。)における防火管理についての必要な事項を定め、火災、地震、その他の災害の予防と人命の安全、被害の軽減を図ることを目的とする。
(適用範囲)
第2条 この規程は、組合に勤務し、又は出入りするすべての者に適用する。
(管理権原者の責任等)
第3条 管理権原者は、事務局長をもって充てる。
2 管理権原者は、組合の防火管理業務についてすべての責任を持つものとする。
3 管理権原者は、管理的又は監督的な立場にあり、かつ、防火管理業務を適正に遂行できる権限を持つ者を防火管理者として選任して、防火管理業務を行わせなければならない。
4 管理権原者は、防火管理者が消防計画を作成(変更)する場合は、必要な指示を与えなければならない。
5 管理権原者は、防火上の建物構造の不備や消防用設備等・特殊消防用設備等(以下「消防用設備等」という。)の不備欠陥が発見された場合は、速やかに改修するものとする。
(防火管理者)
第4条 防火管理者は、消防計画の作成及び実行についてのすべての権限を持って、次の事項を行うものとする。
(1) 消防計画の作成(変更)
(2) 消火、通報、避難誘導等の訓練の実施及び結果の検討
(3) 火災予防上の自主検査の実施と監督
次の項目を実施し、不備欠陥箇所がある場合は改修促進を図る。
ア 建物
イ 防火施設
ウ 避難施設
エ 電気設備
オ 危険物施設
カ 火気を使用する設備器具
キ 消防用設備等
ク その他防災設備
(4) 消防用設備等の法令点検・設備及び立会い又は立会いの指示
(5) 改修工事など工事中の立会い又は立会いの指示と安全対策の樹立
(6) 火気の使用、取扱いの指導、監督
(7) 収容人員の適正管理
(8) 従事者に対する防火教育の実施
(9) 防火管理業務従事者(火元責任者等)に対する指導、監督
(10) 管理権原者への提案や報告
(11) 放火防火対策の推進
(12) その他
(消防機関への報告、連絡)
第5条 管理権原者、防火管理者は、次の業務について、消防機関への報告、連絡を行うものとする。
種別 | 届出等の時期 | 届出者等 |
(1) 防火管理者選任(解任)届出 | 消防法第8条第1項、消防法施行令(昭和36年政令第37号)第1条の2第3項の要件に該当し、防火管理者を定めたとき又は変更したとき。 | 管理権原者 |
(2) 消防計画作成(変更)届出 | 消防法第8条第1項、消防法施行令第1条の2第3項の要件に該当し、消防計画を作成したとき、又は次の事項を変更したとき。 ア 管理権原者又は防火管理者の変更 イ 自衛消防組織の大幅な変更 ウ 用途の変更、増築、改築、模様替えによる消防用設備等の点検・整備、避難施設の維持管理及び防火上の構造の維持管理に関する事項の変更 エ 防火管理業務の一部委託に関する事項の変更 | 防火管理者 |
(3) 通報訓練の実施 | 自衛消防訓練を実施するとき。 | 防火管理者 |
(4) 禁止行為の解除承認申請 | 喫煙、裸火の使用又は危険物品の持ち込みを禁止されている場所において、これらの行為を行うとき。 | 防火管理者の確認を受けた後に申請又は報告する。 |
(5) 消防用設備等点検結果報告 | 3年に1回 | 防火管理者の確認を受けた後に申請又は報告する。 |
(6) その他 ア 消防用設備等の設置届 | 自動火災報知設備等の増設、改設、移設したとき。 | 管理権原者 |
(防火管理業務資料等の整備)
第6条 防火管理は、消防機関へ報告又は届出した書類及び防火管理業務に必要な書類等を消防計画と一括して、整備、保管する。
(防火管理委員会)
第7条 防火管理業務の適正な運営を図るため、防火管理委員会(以下「委員会」という。)を設置する。
2 委員会の構成は、別表第1のとおりとする。
3 副委員長は、委員長を補佐し、委員長がやむをえない事由により職務を遂行できないときは、副委員長のうち、総務課長の職にある者がその職務を代理する。
4 委員会の事務局は、総務課に置く。
(委員会の開催)
第8条 委員会は、定例会と臨時会とし、定例会は年4回行い、臨時会は、委員長が必要があると認めるとき開催する。
(委員会の審議事項)
第9条 委員会は、次の事項について審議する。
(1) 消防計画の変更に関すること。
(2) 消防施設等の改善強化、維持管理に関すること。
(3) 自衛消防隊の編成及び運用に関すること。
(4) 火災予防訓練及び防災教育に関すること。
(5) 地震等、災害応急対策に関すること。
(6) 危険物施設の安全管理に関すること。
(7) 工事等を実施するときは、火災予防対策に関すること。
(8) 火災の際の隣接建物との応援協定に関すること。
(9) その他防火管理上必要な事項に関すること。
第2章 予防管理対策
第1節 日常及び定期に行う火災予防
(予防管理組織)
第10条 予防管理組織は、火災予防のための組織と自主点検・検査を実施するための組織とする。
(火災予防のための組織)
第11条 火災予防のための組織は、平素における火災予防及び地震時の出火防止を図るため、防火管理者のもとに各防火担当者を置き、所定の区域ごとに火元責任者を置くこととし、別表第2のとおり定める。
(防火担当責任者の業務)
第12条 防火担当責任者は、次の業務を行うものとする。
(1) 担当区域内の火元責任者に対する業務の指導監督に関すること。
(2) 防火管理者の補佐
(火元責任者の業務)
第13条 火元責任者は、次の業務を行うものとする。
(1) 担当区域内の火気管理に関すること。
(2) 担当区域内の建物、火気設備器具、電気設備、危険物施設等及び消防用設備等の日常の維持管理に関すること。
(3) 地震時における火気設備器具の安全確認に関すること。
ア 「火気関係」の点検は原則1回行うものとする。
イ 「閉鎖障害等」の点検は原則1回行うものとする。
(5) 防火担当責任者の補佐
(定期に自主点検・検査を実施するための組織)
第14条 自主点検・検査を実施するための組織は、消防用設備等、建物、火気設備器具及び電気設備等について適正な機能を維持するため、定期に点検・検査を実施するものとし、各点検・検査員を別表第5のとおり定める。
(建物等の自主検査)
第15条 建物等の自主検査は、別表第6の「自主検査点検票(定期)」に基づき各担当区域の火元責任者が点検する。実施時期は、おおむね6月及び12月とする。
(消防用設備等の自主点検)
第16条 消防用設備等は法定点検のほかに、自主点検を実施するものとする。
(1) 自主点検は、別表第7の「消防用設備等自主点検票」に基づき防火担当責任者が点検する。
(2) 実施時期は、おおむね6月及び12月とする。
(3) 防火管理者は、消防用設備等に特例が適用されている場合の特例適用条件の適否についても、併せて確認するものとする。
(4) 防火管理者が点検結果を記録して置くものとする。
(消防用設備等の法定点検)
第17条 消防用設備等の法定点検は、有資格者に委託し、実施するものとする。
2 防火管理者は、消防用設備等の点検実施時に立ち会うものとする。
3 防火管理者が点検結果を記録して置くものとする。
(建物等の定期調査)
第18条 建物等の定期調査を行い、建物の維持管理に努めるものとする。
2 防火管理者は、建物等の定期調査実施時に立ち会うものとする。
第2節 報告等
(点検・検査結果の記録及び報告)
第19条 自主検査、自主点検及び法令点検の実施者は、定期的に防火管理者に報告する。ただし、不備・欠陥部分がある場合は、速やかに防火管理者に報告するものとする。
2 防火管理者は記録責任者を定め、点検結果の記録を管理するものとする。
(不備欠陥等の報告)
第20条 防火管理者は、報告された内容で不備・欠陥部分がある場合は、管理権原者に報告し、改修しなければならない。
2 防火管理者は、不備・欠陥部分の改修及び予算措置に時間のかかるものについては、管理権原者の指示を受け、改修計画を樹立するものとする。
第3節 火災予防措置
(火気等の使用制限等)
第21条 防火管理者は、次の事項について喫煙及び火気等の使用の制限を行うものとする。
(1) 喫煙は指定された場所で行い、歩行中の喫煙は絶対に行わないこと。
(2) 喫煙場所の指定
ア 管理棟 職員玄関(軒下)
イ 工場棟3階 冷却塔設置場所
ウ 工作室 シャッター前
(3) 火気設備器具等の使用禁止場所の指定
原則使用禁止場所は、工場棟焼却設備、厨房、給湯室を除く場所とする。ただし、防火管理者が許可する場合この限りではないものとする。
(臨時の火気使用等)
第22条 組合内で、次の事項を行う者は、事前に防火管理者へ連絡し、承認を得るものとする。
(1) 指定場所以外で喫煙又は火気を使用するとき。
(2) 各種火気設備器具を設置又は変更するとき。
(3) 催物の開催及びその会場で火気を使用するとき。
(4) 危険物の貯蔵、取り扱い、種類、数量等を変更するとき。
(5) 模様替え等の工事を行うとき。
(火気等の使用時の遵守事項)
第23条 火気等を使用する者は、次の事項を遵守するものとする。
(1) 電熱器等の火気設備器具を使用する場合は、指定場所以外では使用してはならない。
(2) 火気設備器具を使用する場合は、事前に設備器具を検査してから使用すること。
(3) 火気設備器具を使用する場合は、周囲に可燃物があるか否かを確認してから使用すること。
(4) 火気設備器具を使用した後には、必ず設備器具を点検し、安全を確認すること。
(5) 禁煙場所では、喫煙してはならない。
(施設に対する遵守事項)
第24条 防火管理者又は全従事者等は、避難施設及び防火施設の機能を有効に保持するため、次の事項を遵守するものとする。
(1) 避難口、廊下、階段、避難通路その他のために使用する避難施設
ア 避難の障害となる設備を設け、又は物品を置かないこと。
イ 床面は避難に際し、つまずき、すべり等を生じないよう維持すること。
ウ 避難口等に設ける戸は、容易に解錠し、開放できるものとし、開放した場合は、廊下、階段等の幅員を有効に保持すること。
エ 物品等を容易に撤去できない場合は、直ちに防火管理者に報告する。
(2) 火災が発生したとき延焼を防止し、又は有効な消防活動を確保するための防火施設
ア 階段等への出入口に設けられている防火戸の(常に閉まっている扉及び熱・煙等により自動的に閉まる扉)機能を有効に保持し、閉鎖の障害となる物品を置かないこと。
イ 防火シャッターの降下位置又はそのすぐ近くに物品を置かないこと。
ウ 防火ダンパーの機能を有効に保持し、閉鎖の障害となる物品を置かないこと。
エ 防火戸に近接して延焼の媒体となる可燃性物品を置かないこと。
オ 物品等を容易に撤去できない場合は、直ちに防火管理者に報告する。
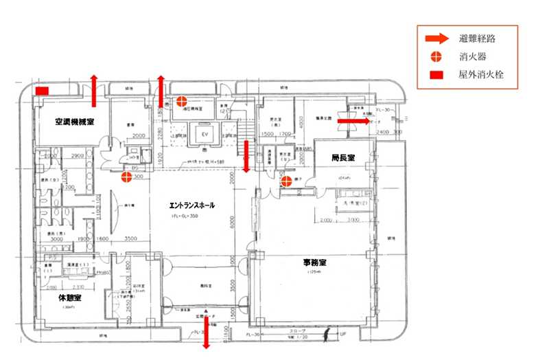
(避難経路図)
第25条 防火管理者は、人命の安全を確保するため、各階ごとに消防用設備等の設置図及び屋外へ通ずる避難経路図を別図1のとおり作成し、自衛消防隊員並びに従事者等に周知徹底するものとする。
(収容人員の管理)
第26条 防火管理者は、収容能力を把握し、過剰な人員が入庁しないように従事者に周知徹底するとともに避難経路の確保、避難誘導員の配置など必要な措置をとるものとする。
第4節 工事中の安全対策
(工事中の安全対策の樹立)
第27条 防火管理者は、工事を行うときは、工事中の安全対策を樹立すること。また、次に掲げる事項の工事を行うときは、「工事中の消防計画」を消防機関に届け出るものとすること。
(1) 増築等で建築基準法(昭和25年法律第201号)第7条の6に基づき特定行政庁に仮使用申請をしたとき。
(2) 消防用設備等の増設等の工事に伴い、当該設備の機能を停止させるとき又は機能に著しく影響を及ぼすとき。
2 防火管理者は、工事人に対し次の事項を周知し遵守させること。
(1) 溶接、溶断など火気を使用して工事を行う場合は、消火器等を準備して消火できる体制を確保すること。
(2) 工事を行う者は、防火管理者が指定した場所以外では喫煙、火気の使用等を行わないこと。
(3) 工事場所ごとに火気の取扱い責任者を指定し、工事の状況について定期に防火管理者に報告させること。
(4) 危険物等を持ち込む場合は、その都度防火管理者の承認を受けること。
(5) 放火を防止するために資機材等の整理、整頓をすること。
(6) その他防火管理者が指示すること。
第5節 放火防止対策
(日常の放火防止対策)
第28条 防火管理者は、次の事項に留意し、放火防止に努めるものとする。
(1) 敷地内及び廊下、階段、洗面所等の可燃物の整理整頓又は除去を行う。
(2) 出入口の特定と出入りする者に対する呼びかけ及び監視等の強化を行う。
(3) 工事等で出入りする者の明確化による不法侵入者の監視を行う。
(4) 監視カメラ等の設置による死角の解消及び死角となる場所の不定期巡回監視体制を確立する。
(5) 火元責任者又は最後に退社する者が火気の確認及び施錠を行う。
(6) 空室、倉庫等の施錠管理は、出入口及び窓にも注意し、人が入れない環境づくりを行う。
(7) 休日、夜間等における巡回体制の確立と放置されている可燃物等の整理整頓を行う。
(8) 客用便所等を従事者と共用するなど監視の強化を行う。
(9) 駐車場内にある車両の施錠の確認を行う。
第3章 自衛消防活動対策
第1節 自衛消防組織
(1) 自衛消防隊長(以下「隊長」という。)は事務局長とする。
(2) 同副隊長(以下「副隊長」という。)は、各課の課長の職にある者(課長相当職含む)及び防火管理者とする。
(3) 同地区隊長(以下「地区隊長」という。)は防火担当責任者とし、別表第8の地区割りとする。
(4) 自衛消防隊員(以下「隊員」という。)の指定及び編成は、別表第9のとおりとする。
(隊長、副隊長及び地区隊長の権限及び任務)
第30条 隊長は、自衛消防隊が消防、災害活動又は訓練を行う場合の一切の権限を有するとともに、自衛消防隊の機能を有効に発揮できるように統括し、消防隊との連絡を密にしなければならない。
2 副隊長は、隊長を補佐し、隊長が不在の場合は、その任務を代行するものとする。
3 地区隊長は、担当区域の初動措置の指揮統制を図るとともに、隊長への報告連絡を密にする。
第2節 自衛消防活動
(指揮所の設置及び任務)
第31条 隊長は、組合内の安全かつ指揮統制できる場所を選び、自衛消防隊指揮所(以下「指揮所」という。)を設置する。
2 指揮所には、防火対象物維持台帳、消防計画及び危険物関係資料等を準備して置くものとする。
3 副隊長又は地区隊長は、災害状況の把握、活動上の指揮命令、報告連絡体制の確保に当たるとともに、消防署に対する情報提供体制も確保するものとする。
(通報・連絡)
第32条 火災の発見者は、各通報連絡担当者及び(119)に場所、状況等を通報し、周辺に火災を知らせるものとする。
2 中央制御室及び管理棟事務所の勤務員は、消防機関へ通報するとともに、放送により出火場所や消火・避難誘導などを指示する。
3 ぼやで消火した場合であっても消防機関へ通報する。
4 管理権原者、防火管理者が不在のときは、緊急連絡一覧表により管理権原者、防火管理者へ連絡する。
5 その他
(1) 放送文は、別に定めるものとし、放送設備の付近に常備する。(自動火災報知設備と新基準により設置された非常放送設備が連動している場合)
(2) 自動火災報知設備の受信機に火災表示を認めたときは、1名以上の勤務員を中央制御室及び管理棟事務所等に残し、他の者は消火器、マスターキー、無線機等を持って現場へ急行する。
(3) 現場へ急行した勤務員は、自動火災報知設備の発信機を押すか又は無線機等により中央制御室及び管理棟事務所等へ連絡する。また、中央制御室及び管理棟事務所等の勤務員は、現場から中央制御室及び管理棟事務所等へ火災である旨の連絡があった場合は、直ちに消防機関(119)へ通報する。
(4) 中央制御室及び管理棟事務所等の勤務員は、火災の状況によっては非常放送設備を手動により切り替え、必要な事項を放送する。
(消火活動)
第33条 各地区隊の消火係は、別図の消火栓、消火器等を活用し、適切な初期消火を行うとともに防火戸、防火シャッター等を閉鎖し、火災の拡大防止に当たる。
2 地区隊における消火活動は、初期消火に主眼を置き活動する。なお、自己地区隊の担当区域外で発生した場合は、臨機の処置を行うとともに、隊長等の指示により行動するものとする。
(避難誘導活動)
第34条 来庁者等の避難誘導にあたる者は、火災が発生した場合、地区隊と協力して出火階及びその上階の者を優先して避難誘導に当たるものとする。
2 エレベーターによる避難は、原則として行わないものとする。
3 屋上への避難は原則として行わないものとする。
4 避難誘導に当たっては、携帯拡声器、懐中電灯、警笛、ロープ等を活用して避難者に避難方向や火災の状況を知らせ、混乱の防止に留意し、避難させる。
5 負傷者及び逃げ後れ等について情報を得たときは、直ちに指揮所に連絡する。
6 避難終了後、速やかに人員点呼を行い、逃げ後れた者の有無を確認し、指揮所に報告する。
(安全防護措置)
第35条 安全防護係は、排煙口の操作を行うとともに、火災時における安全防護措置として、ボイラーの運転停止、空調機器の停止、火気設備器具の使用停止及び各階防火戸、防火シャッター、防火ダンパーの閉鎖等の措置を講ずるものとする。
(応急救護)
第36条 救護所は、消防隊の活動に支障のない安全な場所に設置する。
2 応急救護係は、負傷者の応急手当を行い、救急隊と連携を密にして、負傷者を速やかに運ぶことができるようにする。
3 応急救護係は、負傷者の住所、氏名、電話番号、負傷程度、搬送病院等必要事項を記録すること。
(初期救出、初期救護)
第37条 応急救護係は、地震発生時においては前条に定める活動のほか次のことを行うものとする。
(1) 倒壊建物に挟まれたり、閉じ込められた人の救出に当たっては、状況を報告し、救出作業者及び要救助者の安全を確認しながら作業を行うこと。
(2) 倒壊現場付近では、消火器や水バケツ等を準備し、不測の事態に備えること。
(3) 救出の優先順位は、人命への危険が切迫している者からとし、多数の要救助者がいる場合は、救出作業が容易な人を優先する。
(4) チェーンソー等危険が伴う資機材は、努めて機器の取扱いに習熟した者が取り扱うこと。
(5) 救出した人に対しては、救出した時間、場所等を記入した負傷者カードを掲示すること。
(自衛消防隊の装備)
第38条 自衛消防隊の装備並びに管理は、次によるものとする。
(6) 隊用装備
ア 消火器 … 118本(各地区隊へ配備)
イ ロープ … 2本
ウ 携帯用拡声器 … 3器
エ 担架 … 6本
オ 縄ばしご … 5組
カ 安全帯 … 10本
キ 排風機 … 3台
ク 携帯用照明器具 … 3器
(7) 個人用装備
ア 耐防火衣 … 2着
イ ヘルメット … 10個(他個人配備有)
ウ 携帯用照明器具 … 10器(ケミカルライト含む)
エ 携帯無線機 … 2式(他運転用有、PHS有)
オ 警笛 … 10個
カ 空気呼吸器 … 4式
キ 消防用靴 … 10足
(8) その他
震災に備えて、非常用食料、医薬品類、携帯ラジオ等備蓄して置くものとする。
(非常用の搬送)
第39条 各地区隊長は、火災状況により、指定された非常持出品の搬送と管理を行うものとする。
(自衛消防隊の活動範囲)
第40条 自衛消防隊の活動範囲は、当該事業所の管理範囲内とする。ただし、近接する建物からの火災で延焼を阻止する必要がある場合は、設置されている消防用設備等を有効に活用できる範囲内とし、隊長の判断に基づき活動する。
(応援出動)
第41条 自衛消防隊の近隣への応援出動は、隊長の命令によるものとする。
第3節 休日、夜間の防火管理体制
第4章 震災対策
第1節 震災予防措置
(点検と安全措置)
第43条 各点検・検査員及び火元責任者等は、地震時の災害を予防するために、第2章第1節に基づく各種施設、設備器具の自主点検に合わせ次の措置を行うものとする。
(1) 建築物等に付随する施設物(看板、窓枠、外壁タイル等)及び備品等(ロッカー、書庫等)の転倒、落下、飛散防止措置をすること。
(2) 危険物(発火性薬品、可燃性薬品、可燃ガスボンベ、灯油缶等)の転倒、落下、浸水などによる発火防止措置及び送油管等の緩衝装置の検査を実施すること。
(3) 火気設備器具の上部及び周囲には、転倒落下のおそれのある物品、燃えやすい物品を置かないこと。
(4) 火気設備器具等の自動消火装置、燃料等の自動遮断装置等についての作動状況の検査を行なうこと。
(5) 運転中の各種機械の非常停止装置の作動検査をすること。
(6) 消防用水利等の周辺における消防活動上必要な面積の確保をすること。
第2節 地震時の活動
(地震発生時の安全措置)
第44条 全従事者は、震度5以上の地震が発生した場合は、次の安全措置を行なうものとする。
(1) 地震発生直後は、身の安全を守ることを第一とする。
(2) ごみ処理施設において火気設備器具等を使用中は、直ちに消火する。また、運転係員は、プラントの非常停止操作後、安全な場所へ避難する。
(3) 予備ボイラー運転中においては、予備ボイラー非常停止操作をする。
(4) 薬品等の受入中は、直ちに中止する。
(5) ごみ搬入受入中は、直ちに中止する。
(6) 防火担当責任者は、二次災害の発生を防止するため、建物、火気設備器具及び危険物施設、ボイラー等の点検、検査を実施し、異常が認められた場合は、応急措置を行う。
(7) 各設備器具は、安全を確認した後、使用する。
(8) 防火管理者は、被害の状況を防火担当責任者等に報告させ、把握する。
(地震時の活動)
第45条 地震時の活動は、第3章各節によるほか、指揮係及び通報連絡係は、次のことを行うものとする。
(1) 地震の被害状況により、電話回線が使用不能な場合は、近くの消防署へ駆けつけ、火災等の発生状況、救出、救護が必要な状況を通報する。
(2) テレビ、ラジオなどにより、地震情報等の収集に努め、周囲の状況を把握すること。
(3) 初期救助、初期救護等を行った後、周辺地域の消火活動及び救助活動を行うものとする。
(初期救助、初期救護)
第46条 地震時の初期救助、初期救護については、第3章によるほか、次の活動を行うものとする。
(1) 応急救護係は、負傷者が発生した場合、応急手当を行うとともに、地震の被害状況により緊急を要する場合は、救護所、医療機関に搬送する。
(2) 建物等の下敷きになっている者等救出が必要な者を発見した場合は、隊長等に報告するとともに、救出可能なときは、周囲の者と協力して救出するものとする。
(避難場所等)
第47条 地震時の避難については、従事者等の混乱防止に努めるほか次によるものとする。
(1) 避難場所は、羽村市指定の広域避難場所である羽村市立第三中学校とする。
(2) 避難方法
ア 従事者等を落ち着かせ、隊長等が避難するよう命令するまで、照明器具や棚等の転倒落下に注意しながら柱の回りや、壁ぎわなど安全な場所で待機させること。
イ 建物の倒壊等の危険がある場合は、速やかに屋外へ避難させること。
ウ 避難は、防災関係機関の避難命令又は隊長の命令により行うこと。
エ 避難する際は、車両等を使用せず全員徒歩とすること。
オ 避難誘導にあたっては拡声器、メガホン等を活用するとともに、避難の際には先頭と最後尾に誘導員を配置すること。
カ 避難する際は、エレベータを使用しないこと。
(地震後点検と安全措置等)
第48条 業務を再開するに当たっては、施設全体を事前に十分点検し、確実に異常のないことを確認してから再開する。
2 施設の被害調査等は、蒸気の噴出(焼却炉は少なくとも2日以上の冷却期間を要する。)等、二次災害に注意して行う。
3 各設備の点検担当者は、地震後速やかに点検を実施し、異常の有無を防火管理者に報告すること。異常のあった場合は、使用制限を行うとともに使用不能な設備があった場合は、必要により代替えを図るものとする。
(復旧時の措置等)
第49条 隊長は、復旧又は建物を使用再開しようとするときは、次に掲げる措置を講じるものとする。
(1) 復旧作業に係わる工事人に対する教育を徹底するものとする。
(2) 復旧作業に係わる立入禁止区域を指定するとともに全従事者に周知徹底するものとする。
(3) 復旧作業と事業活動が混在する場合は、相互の連絡を徹底するとともに監視を強化するものとする。
(4) 復旧工事に伴い、通常と異なる利用形態となることから避難経路を明確にするとともに、全従事者に周知徹底させるものとする。
第5章 警戒宣言が発せられた場合の対策
第1節 警戒宣言が発せられた場合の組織等
2 警戒宣言が発令されたことを組合全体に周知し、別に定める連絡表により必要な要員を招集するものとする。
3 原則として、見学を中止し、見学者の受付は行わないものとする。
4 高所作業等危険をともなう作業は、原則として中止するものとする。
(火気使用の中止等)
第51条 警戒宣言が発せられた場合は、禁煙とし、火気設備器具等の使用を原則として中止し、運転係は、平常時の運転体制を確保し、直ちに消火できる体制を講じておく。
(組合災害応急対策)
第52条 災害応急対策本部の設置及び廃止については、次の事項を行うものとする。
(1) 事務局長は、警戒宣言が発せられたことを知ったとき、又は関係市町地域内において災害が発生したときは、別表第1に掲げる組織で構成される災害応急対策本部(以下「本部」という。)を設置する。
(2) 事務局長は、災害応急対策がおおむね終了したとき、又は警戒解除宣言があったときは、速やかに本部を廃止する。
(本部の設置の通知等)
第53条 本部の設置の通知等については、次の事項を行うものとする。
(1) 本部長は、関係三市一町に本部の設置を通報する。
(2) 本部長は、組合受付け正面又は見やすい位置に本部の表示をする。
(3) 本部長は、他団体等への連絡、通報及び情報の管理、指示をする。
(本部の組織)
第54条 本部の組織については、別表第1の構成により次の事項を行なうものとする。
(1) 本部は、本部長、副本部長で構成する。
(2) 本部長がやむを得ない事由により、その職務を遂行できないときは、副本部長のうち、事務局長があらかじめ指名する者が代理する。
(3) 副本部長は、各課の課長職にある者(課長相当職を含む。)、防火管理者、電気主任技術者、ボイラー・タービン主任技術者とする。
(非常配備体制の発動)
第55条 非常配備体制の発動については、次の事項を行うものとする。
(1) 本部長は、災害の程度により、以下の配備体制を発動する。
ア 第一非常配備体制(関係三市一町内の数地域に災害が発生したとき。)
半径5km以内の職員が参集する。
イ 第二非常配備体制(関係三市一町内の多数の災害が発生したと予測されたとき。)
半径10km以内の職員が参集する。
ウ 特別非常配備体制(夜間、休日に関係三市一町内の多数の災害が発生したと予測されたとき。)
可能な限り全職員が参集する。
(職員の配置及び服務)
第56条 職員の配置及び服務については、次の事項を行うものとする。
(1) 各課長は、あらかじめ各非常体制における非常参集方法を定め、周知徹底させて置くこと。また、配置する職員の体制を整えて置くこと。
(2) 課長の責務
非常配備体制が発動されたときは、災害の状況に応じた処置をとる。
ア 所属職員の掌握
イ 参集した所属職員の罹災状況を把握し、総務課長に報告し、不明の職員の掌握に努めること。
ウ 高次の非常配備体制に対応する措置を講ずること。
(3) 職員の服務
職員又は全従事者は、本部が設置された場合は、次の事項を遵守すること。
ア 常に災害に関する情報及び本部関係の指示に注意すること。
イ 不急の行事、会議を中止すること。
ウ 正規の勤務時間が終了しても本部長の指示があるまで退庁しないこと。
エ 常に自己の所在を明らかにし、連絡を取れるようにして置くこと。
オ 非常配備体制が発せられたときは、万難を排して速やかに参集すること。
カ 自らの言動によって住民に不安を与え、住民の誤解を招き、また、本部の活動に支障をきたすことのないよう注意すること。
キ 災害の程度が大きいと判断され、通信手段が途絶し、所属長の指示が無い場合は、自主的に参集すること。
(備蓄品)
第57条 震災に備えて、次の品目を備蓄して置くものとする。
備蓄品目 | 備蓄場所 | 備蓄量 | |
1 非常用食料 | 倉庫 | 乾パン・水等必要なもの | |
管理棟2階休憩室 | アルファ化米:270食 乾パン:270缶 ミネラルウォーター:270リットル(500mlペットボトル540本) | ||
2 医薬品 | 事務所(総務課) | 救急用医薬品を常時確保して置く。 | |
3 携帯ラジオ | 同上 | 震災用として1台を確保して置く。 | |
4 懐中電灯 | 同上 | 震災用として3台を確保して置く。 | |
5 携帯用拡声器 | 同上 | 震災用として3器を確保して置く。 | |
6 救出用資機材(ロープ・メガホン等) | 同上 | ロープ | 震災用として3本を確保して置く。 |
トランシーバー | 震災用として2式を確保して置く。 | ||
防火衣 | 震災用として10式を確保して置く。 | ||
ヘルメット | 震災用として10個を確保して置く。 | ||
警笛 | 震災用として10個を確保して置く。 | ||
消防用靴 | 震災用として10足を確保して置く。 | ||
7 毛布 保温シート等 | 管理棟2階休憩室 | 30枚 | |
8 簡易トイレ | 同上 | 30基 | |
第6章 防災教育及び訓練
第1節 防災教育等
第58条 防災教育は、おおむね次の項目について教育する。
(1) 消防計画について。
(2) 職員ならびに従事者等が守るべき事項について。
(3) 火災発生時の対応について。
(4) 地震時及びその他災害時の対応について。
(5) 防火管理マニュアルの徹底に関すること。
(6) その他火災予防上及び自衛消防活動上必要な事項
2 防火管理者は、職員並びに従事者及び組合に出入りするすべての者の防災思想を高めるため、防災に関するポスターの掲示及びパンフレット等の作成配布を行い、火災予防の呼びかけを行うものとする。
第2節 訓練
(訓練の実施)
第59条 防火管理者は、原則として下記による各種訓練を企画実施するものとする。
訓練種別 | 訓練内容 | 実施時期 |
総合訓練 | 職員及び従事者が参加して、通報、消火、避難誘導等を連携して行う。 なお、必要に応じて消防機関の指導を要請する。 | 春、秋の火災予防運動中 |
部分訓練 | 指揮、消火、通報及び避難誘導等の訓練を個別に行い、任務行動を確認するために実施する。 | 適時 |
震災訓練 | 震災を想定し、組合独自又は関係三市一町等の訓練に参加する。 | 9月初旬 |
(訓練の実施報告)
第60条 防火管理者は、前条の自衛消防訓練を実施する場合は、「自衛消防訓練通知書」により、消防署長あてに通知するものとする。
第7章 移動式蓄電池活用
第1節 災害時における移動式蓄電池活用
(目的)
第61条 地震、風水害その他の災害が発生、又は発生するおそれがある場合において、移動式蓄電池を円滑に貸与し、災害対応を支援する。
(適用範囲)
第62条 災害時における移動式蓄電池の貸与に関する協定書を締結した関係市町(以下「関係市町」という。)に適用する。
(協定の締結)
第63条 次に掲げる事項について関係市町と協定を締結するものとする。
(1) 貸与機材等
(2) 貸与の要請
(3) 受渡し
(4) 貸与期間
(5) 返却
(6) 移動式蓄電池の管理棟
(7) 損害賠償
(8) 免責事項
(9) 連絡体制
(10) 平常時の取組
(11) 有効期間
(12) 協議
(13) 前各号に掲げるもののほか、組合及び関係市町が必要と認める事項
付則
この規程は、平成13年4月1日から施行する。
付則(令和7年規程第5号)
この規程は、公布の日から施行する。
別表第1(第7条・第50条・第52条・第54条)
西多摩衛生組合防火管理委員会構成表
委員名 | 役職名 | 備考 |
委員長 | 事務局長 | 自衛消防隊長 |
副委員長 | 施設長 | 自衛消防副隊長 |
副委員長 | 防火管理者 | 自衛消防副隊長 |
副委員長 | 総務課長 | 自衛消防副隊長 |
副委員長 | 財務課長 | 自衛消防副隊長 |
副委員長 | 計画管理課長 | 自衛消防副隊長 |
副委員長 | 維持運転課長 | 自衛消防副隊長 |
副委員長 | フレッシュランド西多摩管理課長 | 自衛消防副隊長 |
副委員長 | 設備管理担当主幹 | 自衛消防副隊長 |
副委員長 | 会計課長 | 自衛消防副隊長 |
委員 | 各課・フレッシュランド西多摩係長及び主査 | |
委員 | 電気主任技術者 | |
委員 | ボイラータービン主任技術者 | |
委員 | 危険物取扱主任者 |



別表第5(第14条関係)
自主点検・検査を実施するための組織編成表
種別 | 実施区分 | 点検検査員 |
自主検査 | 建物(構造等) | 維持運転課 |
防火・避難施設 | 維持運転課 | |
火気設備器具 | 各火元責任者 | |
電気設備 | 電気主任技術者 | |
危険物施設 | 危険物取扱主任者 | |
自主点検 | 消火器 | 第1種消防設備点検資格者又は維持運転課 |
屋内消火栓設備 | ||
屋内消火栓設備(放水銃) | ||
二酸化炭素・粉末消火設備 | ||
屋外消火設備 | ||
動力消防ポンプ設備 | ||
自動火災報知設備 | 第2種消防設備点検資格者又は維持運転課 | |
非常警報器具及び設備 | ||
避難器具 | ||
誘導灯 | ||
消防用水 | ||
連結散水設備 | ||
防排煙制御設備 |




別表第8(第29条・第50条関係)
自衛消防隊編成表

自衛消防隊編成表(夜間・土日・祝日)
班名 | 火元責任者 | 通報連絡担当 (非常用放送) | 初期消火担当 | 避難誘導担当 (防護安全) | 応急救護担当 (搬出) |
日勤(土日祝日) | (所長) | ||||
1班 | 班長 | 班員 | 班員 | 班員 | 班員 |
2班 | 班長 | 班員 | 班員 | 班員 | 班員 |
3班 | 班長 | 班員 | 班員 | 班員 | 班員 |
火災予防担当者の任務
防火管理者:課長級
防火担当責任者:係長級
火元責任者:係長級
1 防火管理者
・消防計画の作成、変更及び届出
・消防機関に対する法令に基づく各種報告、届出、連絡
・消防、通報及び避難の訓練の実施
・建築物、火気使用設備器具、危険物施設等の点検検査の実施及び監督
・消防用設備等の点検設備の実施及び監督
・火気使用又は取扱いに関する指導監督
・管理権原者(西多摩衛生組合管理者)に対する助言及び報告
・防火担当責任者に対する指導監督
・その他、防火管理上必要な業務
2 防火担当責任者
・担当区域内の火元責任者に対する防火管理業務についての指導及び監督
・防火管理者の補佐
3 火元責任者
・担当区域内の建物、火気使用設備器具、電気設備、危険物施設及び消防用設備等の日常における維持管理
・担当区域内の避難口及び通路等の維持管理
・担当区域内の防火戸、防火シャッターの閉鎖及び確認
・震災時における火気使用設備器具の安全管理
・防火担当責任者の補佐
4 通報連絡担当者
・非常用ベルを鳴らす
・119番へ通報する
・到着した消防隊への情報提供及び関係先への連絡に当たる
・初期消火担当者に協力して初期消火に当たる
5 初期消火担当者
・水バケツ、消火器等を使用し、初期消火する
・天井に燃え移ったら初期消火は中止して避難する
6 避難誘導担当者
・避難口を開放し、避難経路図に従い避難誘導に当たる
・避難誘導は、大声で簡潔に行いパニック防止に全力をあげる
7 応急救護担当者
・負傷者に対する応急措置
・救急隊との連携、情報の提供
・負傷者の氏名、負傷の程度の記録
別表第9(第29条・第50条)
自衛消防隊の編成と任務
自衛消防隊長 事務局長 (自衛消防隊に対する指揮、命令、監督を行なう。) 自衛消防副隊長 総務課長・防火管理者 (隊長を補佐し、隊長が不在時は、その任務を代行する。) | |||
隊の編成 (平常時) | 平常時の任務 | 警戒宣言が発せられた場合の組織編成 | 警戒宣言が発せられた場合の任務 |
指揮係 | 1 隊長、副隊長の補佐 2 自衛消防本部の設置 3 地区隊への命令の伝達及び情報の収集 4 消防隊への情報の提供及び災害現場への誘導 5 その他指揮統制上必要な事項 | 指揮係は、情報収集班として編成する。 | 1 報道機関等により判定会招集情報及び警戒宣言発令に関する情報を収集し、隊長に連絡する。 2 周辺地域の状況を把握する。 3 放送設備、掲示板、携帯用拡声器等により在来者に対する周知を図る。 4 食料品、飲料水、医薬品等及び防災資機材の確認をする。 5 在来者の調査 6 その他 |
通報連絡係 | 1 消防機関への通報及び通報の確認 2 館内への非常放送及び指示命令の伝達 3 関係者への連絡(緊急連絡一覧票による。) | 通報連絡係は、情報収集班として編成する。 | |
消火係 | 1 出火場所へ直行し、消火器、屋内消火栓、放水銃等による消火作業に従事 2 地区隊が行う消火作業への指揮指導 3 地区隊との連携及び補佐 | 消火係は、点検措置班として編成する。 | 建物構造、防火・避難施設、電気、ガス、エレベーター 消防用設備等、危険物の点検及び保安の措置を講ずる。 |
避難誘導係 | 1 出火場所及び上層階に直行し、避難開始の指示命令の伝達 2 非常口の開放及び開放の確認 3 避難上障害となる物品の除去 4 未避難者、要救助者の確認及び隊への報告 5 ロープ等による警戒区域の設定 | 避難誘導係は、平常時と同様の編成とする。 | 混乱防止を主眼として、退館者の案内及び避難誘導を行う。 |
安全防護係 | 1 火災発生地区へ直行し、防火シャッター防火戸防火ダンパー等の閉鎖の確認 2 非常電源の確保、ボイラー等危険物施設の供給運転停止等 3 エレベーターの非常時の措置 | 安全防護係は、点検措置班として編成する。 | 上記の消火係の任務と同様とする。 |
応急救護係 | 1 応急救護所の設置 2 負傷者の応急処置 3 救急隊との連携、情報の提供 | 救護係は、情報収集班として編成する。 | 上記の指揮係と通報連絡係の任務と同様のほか、救出資機材等の確認をする。 |
別図1
西多摩衛生組合 全体配置図

管理棟 1階

管理棟 2階

工場棟 1階

工場棟 2階

工場棟 3階

工場棟 4階

工場棟 地下3階

工場棟 地下2階

工場棟 地下1階
